PRODUCT PLECS Coder
PLECS Coder はシミュレーションモデルからCコードを自動で生成します。
PLECS Coder (製品名:プレックス コーダー)は、 PLECS BlocksetまたはPLECS StandaloneのシミュレーションモデルからCコード(ANSI-C 規格)を自動で生成します。 生成されたCコードは、組み込み制御環境、HIL(hardware-in-the-loop)システム、 リアルタイムシミュレータといった各ターゲットに応じてコンパイル可能です。 Cコード生成の対象となるシミュレーションモデルは、 物理的な回路モデル、または制御ロジックモデルになります。 このようなCコード生成機能の代表的な適用事例としては、 実際の制御用ハードウェアを、ハードウェアエミュレータ上の仮想プラントに接続してシステムを検証する、 ハードウェア・イン・ザ・ループ・シミュレーション(HILS)が挙げられます。 この手法によって、高価な実験装置を使用せず、制御用ハードウェアに実装された制御ロジックの検証が可能になります。 複雑なモデルのシミュレーション時間を短縮するため、 生成されたCコードをホストコンピューター上でコンパイルして実行することも可能です。
Simulink Coderのサポート
Cコードを適用するターゲット
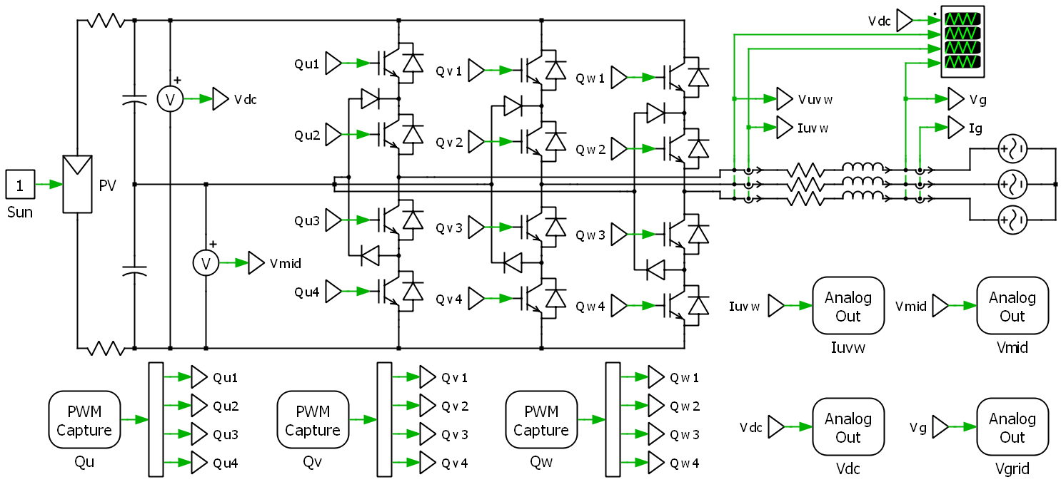
RT Boxターゲット
PLECS Standalone用RT Boxターゲットサポートパッケージは、PLECS RT Boxをターゲットとして認識します。 PLECS RT Boxコンポーネントライブラリには、一般的なアナログ・デジタルI/Oを設定するためのブロックが格納されています。 このライブラリには外部から入力されるPWM信号を検出し、 制御器に送信する直交エンコーダ信号を生成する特殊なブロックが含まれています。 下図はオフライン用太陽光発電システムの3相インバータPLECSシミュレーションモデルですが、 これにPLECS Coderを適用することによって、 PWM信号入力、電流/電圧出力を検出するプラント用リアルタイムコードを生成することが可能です。

外部モードでオフライン用PLECSモデルと、 RT-Box上で動作するリアルタイムモデルを接続することによって、 ターゲット上のパラメータ値をリアルタイムに調整したり、 検出したリアルタイムデータをPLECSスコープに表示することが可能になります。

MAIL FORM24時間受付